MEAN WELL HEP-1000 1000W Switching Power Supplies
MEAN WELL HEP-1000 1000W Switching Power Supplies are industrial AC/DC power supplies designed to operate under highly humid, oily, dusty, and high-vibration harsh environments. These power supplies feature built-in three-stage programmable charging curves on the charger side for constant current, constant voltage, and floating charge capabilities. The HEP-1000 power supplies offer high efficiency of up to 96%, 10G anti-vibration capability, and a built-in active PFC function. These power supplies consist of an integrated charger and are equipped with the PMBus communication protocol that allows seamless integration into different high-end systems. The HEP-1000 power supplies provide an output voltage line of 24V, 48V, and 100V and operate from -40°C to +70°C temperature range under air convection without a fan.The MEAN WELL HEP-1000 Switching Power Supplies comply with international safety regulations such as TUV EN62368-1 UL62368-1. Typical applications include industrial automation machinery, industrial control systems, electronic instruments, and household appliances.
Features
- Built-in active PFC function
- High efficiency up to 96%
- Fanless design with cooling by free air convection
- Aluminum case and filing with heat-conducted glue
- Withstands 10G vibration test
- -40°C to +70°C wide operating range
- Charger for:
- Lead-acid batteries (flooded, Gel, and AGM)
- Li-ion batteries (lithium iron and lithium manganese)
- Built-in default 2/3 stage charging curves and programmable curve
- Built-in PMBus protocol (optional CANBus protocol)
- Output voltage and constant current level programmable
- Short-circuit, overload, overvoltage, and over-temperature protections
- Built-in remote ON-OFF control
- DC OK active signal
- LED indicator for power on
- Optional wiring type with IP67 rating
Applications
- Industrial automation machinery
- Industrial control systems
- Mechanical and electrical equipment
- Electronic instruments, equipment, or apparatus
- Household appliances
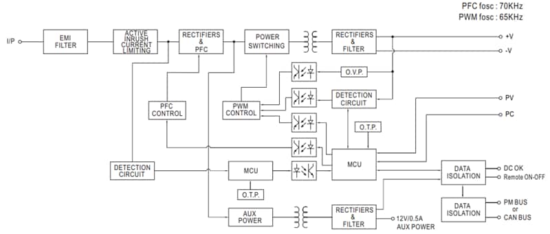
Block Diagram
Performance Graphs
Additional Resources
Published: 2019-11-18
| Updated: 2023-09-08
