MACOM CMPA0760020F-AMP Evaluation Board

MACOM CMPA0760020F-AMP Evaluation Board is designed to evaluate and demonstrate the CMPA0760020F amplifier. The CMPA0760020F-AMP is an evaluation board for the CMPA0760020F amplifier. The CMPA0760020F-AMP features CW operation, 25W Psat, 36% PAE, and 21dB LSG. This CMPA0760020F-AM operates at -55°C to +150°C storage temperature range 31V drain voltage and -1V gate voltage. The CMPA0760020F-AMP is ideally used in electronic warfare, military communications, ISM amplifiers, and EMC amplifiers.

Features

  • CW operation
  • 25W Psat
  • 36% PAE
  • 21dB LSG
  • 33dB S21 
  • -12dB S11
  • -10dB S22

Specifications

  • 31V drain voltage
  • -1V gate voltage
  • 3A drain current
  • 20mA gate current
  • 225°C junction temperature
  • 260°C mounting temperature
  • -55°C to +150°C storage temperature range

Applications

  • Electronic warfare
  • Military communications
  • ISM amplifiers
  • EMC amplifiers

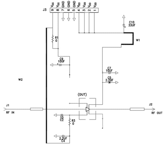
Schematic Diagram

Schematic - MACOM CMPA0760020F-AMP Evaluation Board
Published: 2023-08-21 | Updated: 2024-08-16