Lattice Semiconductor ispMACH 4000ZE CPLDs
Lattice Semiconductor ispMACH® 4000ZE Complex Programmable Logic Devices (CPLDs) offer enhanced features over the original ispMACH 4000Z. The ispMACH 4000ZE is based on the 4000Z architecture and combines high speed and low power in a flexible CPLD component. These CPLDs have a robust Global Routing Pool and Output Routing Pool for excellent First-Time-Fit, timing predictability, routing, pin-out retention, and density migration. The 4000ZE CPLDs support a 1.8V supply voltage and 3.3V, 2.5V, 1.8V, and 1.5V interface voltages. A 1.8V in-system is programmable through an IEEE Standard 1532 interface. The ispMACH 4000ZE offers enhanced I/O features like slew rate control, PCI compatibility, bus-keeper latches, pull-up resistors, pull-down resistors, open-drain outputs, and hot socketing.Features
- High performance
- fMAX = 260MHz maximum operating frequency
- tPD = 4.4ns propagation delay
- Ease of design
- Flexible CPLD macrocells with individual clock, reset, preset, and clock enable controls
- Ultra-low power
- Standby current as low as 10µA typical 1.8V core, low dynamic power
- Broad device offering
- 32 to 256 macrocells
- Multiple temperature range support
- 0°C to 90°C junction (Tj) Commercial
- -40°C to +105°C junction (Tj) Industrial
- Easy system integration
- Operation with 3.3V, 2.5V, 1.8V, or 1.5V LVCMOS I/O
- 5V tolerant I/O for LVCMOS 3.3, LVTTL, and PCI interfaces
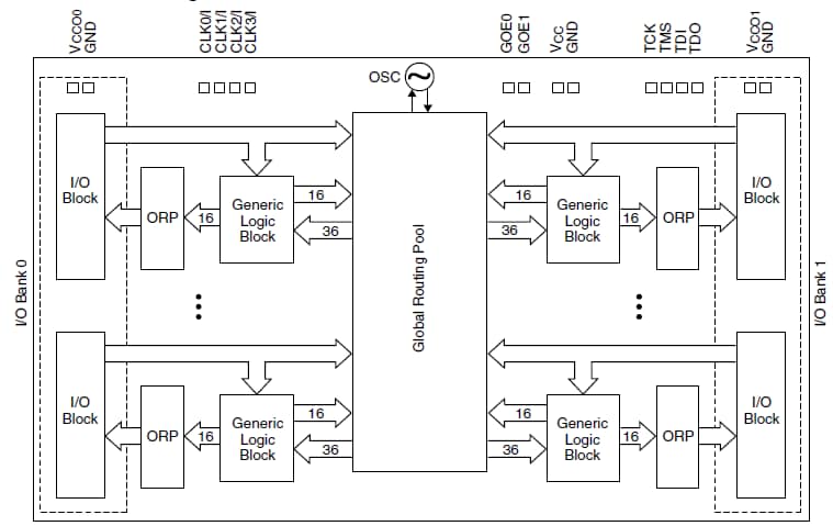
Block Diagram
Videos
Published: 2012-03-22
| Updated: 2022-03-11
