Kingbright SA32 Single Digit Right-Angled Displays
Kingbright SA32 Single-Digital Right-Angled Displays are made with InGaN and Gallium Phosphide light-emitting diodes and are available in green and blue. The SA32 displays offer excellent character appearance with high light output and easy mounting on PC boards, or sockets. These LEDs are mechanically rugged and feature a 0.32-inch digit height, a black face, and a white segment. The SA32 single-digit displays comply with RoHS and operate at a -40°C to 85°C temperature range. Typical applications include home and smart appliances, display time and digital combination, industrial and instrumental equipment, and numeric status.Features
- 0.32-inch digit height
- Excellence character appearance
- High light output
- Easy mounting on the PC board or sockets
- 5V reverse voltage
- Colors and wavelengths:
- 465nm blue
- 525nm and 568nm green
- Available in Iv@10mA and 2mA low current options for energy-efficient designs
- Mechanically rugged
- Black face, white segment, and right-hand decimal, with easy mounting on P.C. boards or sockets
- -40°C to 85°C operating temperature range
- RoHS compliant
Applications
- Home and smart appliances
- Display time and digital combination
- Industrial and instrumental applications
- Numeric status
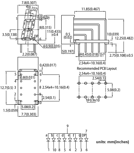
Dimension Diagram
View Results ( 4 ) Page
| Part Number | If - Forward Current | Illumination Color | Luminous Intensity | Power Consumption | Vf - Forward Voltage | Wavelength |
|---|---|---|---|---|---|---|
| SA32-61QBWB-2BCB | 10 mA | Blue | 13000 ucd | 120 mW | 3 V | 465 nm |
| SA32-61GWB-2BCB | 10 mA | Green | 12000 ucd | 62.5 mW | 2 V | 568 nm |
| SA32-61LZGKWB-2BCB | 2 mA | Green | 110000 ucd | 102.5 W | 2.65 V | 525 nm |
| SA32-61ZGKWB-2BCB | 10 mA | Green | 394000 ucd | 102.5 mW | 3 V | 525 nm |
Published: 2025-09-01
| Updated: 2025-10-05
