IXYS XPT™ GenX5™ Trench IGBTs
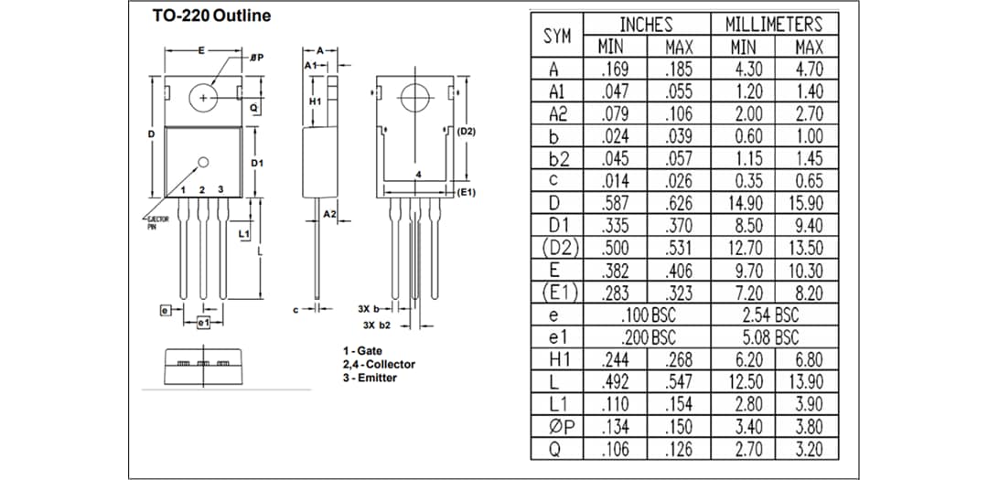
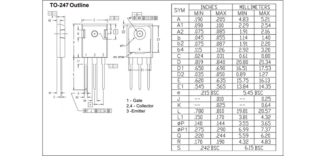
IXYS XPT™ GenX5™ Trench IGBTs are developed using proprietary XPT thin-wafer technology and state-of-the-art 5th generation (GenX5) Trench IGBT process. These devices feature reduced thermal resistance, low energy losses, fast switching, low tail current, and high current densities. The XPT GenX5 Trench IGBTs have square Reverse Bias Safe Operating Areas (RBSOA) and a 650V breakdown voltage, making them ideal for snubber-less hard-switching applications. These IGBTs also include a positive collector-to-emitter voltage temperature coefficient, enabling designers to use multiple devices in parallel to meet high current requirements. The low gate charge of these devices helps reduce gate drive requirements and switching losses.The IXYS XPT GenX5 Trench IGBTs are available in TO-220-3 (IXYP60N65A5) and TO-247-3 (IXYH90N65A5 and IXYH120N65A5) packages with a wide -55°C to +175°C junction temperature range.
Features
- Low VCE(sat), low Eon/Eoff
- Optimized for low-frequency high current switching
- High surge current capability
- Square Reverse Bias Safe Operating Areas (RBSOA)
- Positive thermal coefficient of VCE(sat)
- Low gate drive requirements
- International standard packages
Applications
- Power inverters
- UPS
- Motor drives
- SMPS
- PFC circuits
- Battery chargers
- Welding machines
- Lamp ballasts
Specifications
- Collector-emitter voltage (VCES): 650V
- Collector-emitter saturation voltage (VCE(sat)): 1.35V
- Collector current at 25°C (IC25)
- IXYP60N65A5: 134A
- IXYH90N65A5: 220A
- IXYH120N65A5: 290A
- Collector current at 110°C (IC110)
- IXYP60N65A5: 60A
- IXYH90N65A5: 90A
- IXYH120N65A5: 120A
- Current fall time (Tfi(typ))
- IXYP60N65A5: 110ns
- IXYH90N65A5: 160ns
- IXYH120N65A5: 160ns
- Junction temperature range (TJ): -55°C to +175°C
- Package
- IXYP60N65A5: TO-220-3
- IXYH90N65A5: TO-247-3
- IXYH120N65A5: TO-247-3
Pin Designations
TO-220-3 Package Outline
TO-247-3 Package Outline
View Results ( 3 ) Page
| Part Number | Datasheet | Collector-Emitter Saturation Voltage | Continuous Collector Current at 25 C | Pd - Power Dissipation |
|---|---|---|---|---|
| IXYH90N65A5 | ![]() |
1.35 V | 220 A | 650 W |
| IXYP60N65A5 | ![]() |
1.35 V | 134 A | 395 W |
| IXYH120N65A5 | ![]() |
1.35 V | 290 A | 830 W |
Published: 2021-09-09
| Updated: 2022-03-11

