Innodisk InnoAgent EZ2N-0XL1 Remote Management Modules

Innodisk InnoAgent EZ2N-0XL1 Out-of-Band Remote Management Modules integrate Nuvoton NUC980 32bit microprocessor. These modules feature remote power on/off/reset, programmable remote control GPIO, and an in-band heartbeat agent to check the device's alive status. The EZ2N-0XL1 modules support remote UART/RS232 data transmission and OT devices with a network connection. These modules operate within the -40°C to 85°C temperature range and come in 51mm x 31.3mm x 19.05mm dimensions. The EZ2N-0XL1 modules are used in smart cities, smart factories, smart retail, and healthcare applications.

Features

  • Nuvoton NUC980 32bit microprocessor
  • Remote power on/off/reset
  • Programmable remote control GPIO
  • Standard MQTT network connection protocol
  • Support remote UART/RS232 data transmission
  • Support OT device without a network connection
  • Optional I2C function support
  • In-band heartbeat agent to check device alive

Applications

  • Smart cities
  • Smart factories
  • Smart retail
  • Healthcare

Specifications

  • 10/100Mbps LAN (RJ45) network I/F
  • 1.125W (5V, 225mA) maximum power consumption
  • 5V standby power input (4pin floppy male connector)
  • 51mm x 31.3mm x 19.05mm dimensions
  • SDK and iCAP 2.0 private cloud (EZ2N-0XL1-W1)
  • Private cloud with standard bracket (EZ2N-0XL1-W3)
  • Private cloud with low-profile ((EZ2N-0XL1-W4)

InnoAgent Module

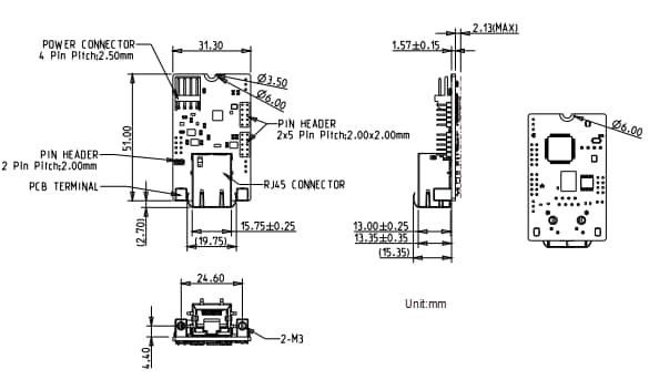
Mechanical Drawing - Innodisk InnoAgent EZ2N-0XL1 Remote Management Modules

Mechanical Diagram

Mechanical Drawing - Innodisk InnoAgent EZ2N-0XL1 Remote Management Modules

Videos

Published: 2025-04-02 | Updated: 2025-04-15