Infineon Technologies TLS205B0LDV Demo Board
Infineon Technologies TLS205B0LDV Demo Board evaluates the TLS205B0, a low noise, micropower, and low dropout voltage regulator. This device is capable of supplying an output current of 500mA with a low dropout voltage of 300mV. The low quiescent current of 30μA makes the device well-suited for use in battery-powered systems. Infineon Technologies TLS205B0LDV Demo Board supports a wide input voltage range of 1.8V to 20V and an adjustable output voltage range of 1.22V to 12V. Applications include body modules and gateways, infotainment, alarms, automotive general ECUs, and 2-wheeler ECUs.Features
- Low noise down to 24µV
- Evaluates TLS205B0 voltage regulator
- Wide 1.8V to 20V input voltage range
- Low 320mV dropout voltage
- 1.22V to 12V adjustable output voltage
- 300mA current capability
- 30μA low quiescent current
- Low <1μA shutdown current
- Stable with ≥3.3μF output capacitor
- PG-DSO-8 exposed pad and PG-TSON-10 exposed pad packages
- AEC qualified
- RoHS compliant (green product)
Applications
- Automotive general ECUs
- 2-wheeler ECUs
- Infotainment
- Alarms
- Dashboards
- Body modules, gateways
Board Overview
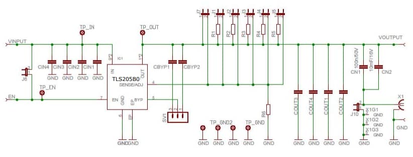
Schematic
Published: 2019-12-12
| Updated: 2024-02-12
