Infineon Technologies IFX9201SG Integrated H-Bridge Driver
Infineon IFX9201SG Integrated H-Bridge Driver is a general purpose 6A H-bridge that can be used for many applications designed for the control of small DC motors and inductive loads. The outputs can be pulse width modulated at frequencies up to 20kHz. This enables operation above the human sonic range - by means of PWM/DIR control. While the signal at the direction input defines the direction of the DC motor, the PWM signal controls the duty cycle.For load currents above the current limitation threshold (7A typ.) the H-Bridge switches into chopper current limitation mode. The device is protected against short circuits and over temperature and provides diagnosis via SPI or basic error feedback via status flag. Open load can be detected when the bridge is disabled or during PWM operation of inductive loads.
Features
- RDSon (typ.) < 100mΩ per switch
- Operation Voltage 4.5V to 36V
- Logic inputs: 3.3V and 5V TTL/ 5V CMOS compatible
- Low standby current
- Short circuit and over-temperature protection
- VS under-voltage protection
- Open load detection in ON and OFF state
- Detailed SPI diagnosis or simple error flag
- Green product (RoHS compliant)
- Small package saves board space
- Includes over current and over temperature protection
- Simple design with few external components
- SPI enables for easy Diagnosis
Applications
- DC motor control for industrial applications
- Home and building automation
- Power tools battery management
- Industrial robotic
- Medical applications
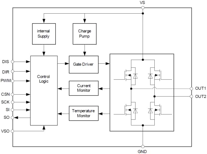
Block Diagram
Published: 2015-08-07
| Updated: 2022-03-11
