Infineon Technologies TRENCHSTOP™ 62mm C-Series IGBT4 Modules
Infineon TRENCHSTOP™ 62mm C-Series IGBT4 Modules are designed to deliver high performance and reliability for various power applications. These modules incorporate advanced TRENCHSTOP™ IGBT4 technology, ensuring optimal electrical performance and efficiency. With voltage and current ratings such as 1200V/450A for the FD450R12KE4 and 1700V/300A for the FD300R17KE4, these modules are suitable for demanding applications like industrial drives, renewable energy systems, and power supplies. The 62mm C-Series modules feature low switching losses and high thermal performance, making the devices ideal for frequency-controlled inverter drives, wind energy systems, solar inverters, uninterruptible power supplies (UPS), welding equipment, and inductive heating systems.Built with a solid nickel-coated copper baseplate and screw main terminals, these modules offer high mechanical robustness and reliability. The pre-applied thermal interface material enhances heat dissipation and simplifies assembly, while optimized switching characteristics reduce electromagnetic interference and improve overall system performance. The Infineon TRENCHSTOP 62mm C-Series IGBT4 Modules provide a superior solution for modern power electronics, offering flexibility, reliability, and high performance across a range of applications.
Features
- Low collector-emitter saturation voltage (VCEsat) with a positive temperature coefficient
- Unbeatable robustness
- 2.5kVAC or 4kVAC (1 minute) insulation
- Package with CTI>400
- High creepage and clearance distances
- Pre-applied thermal interface material
- Designed for frequency-controlled drives
- UL/CSA Certification with UL1557 E83336
- Overload capability up to +175°C maximum
- Optimized switching behaviour
- Screw mount
- RoHS compliant
Applications
- Industrial drives
- Renewable energy systems
- Frequency-controlled inverter drives
- Wind energy systems
- Solar inverters
- Uninterruptible power supplies (UPS)
- Welding equipment
- Inductive heating systems
Specifications
- 600V, 1.2kV, or 1.7kV maximum collector-emitter voltage options
- 300A, 450A, or 480A continuous collector current options at +25°C
- ±20V maximum gate emitter voltage
- 100nA or 400nA gate-emitter leakage current options
- 1.45V to 2.15V collector-emitter saturation voltage range
- -40°C to +150°C operating temperature ranges
- 106.4mm x 61.4mm x 30.5mm size
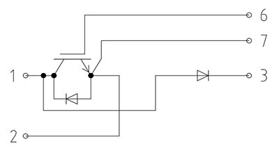
Circuit Diagram
Published: 2025-04-23
| Updated: 2025-05-11
