Honeywell MICRO SWITCH™ LSX Hazardous Area Switches
Honeywell MICRO SWITCH™ LSX Hazardous Area Switches offer a 10A thermal electrical rating, 120VAC to 600VAC range, and NEMA 1, 3, 4, 6, and 13 sealings. The LSX switches feature an extensive variety of actuation heads, multiple non-sparking actuators, and consistent operating characteristics through a broad temperature range. Honeywell MICRO SWITCH LSX Hazardous Area Switches are ideal for applications in grain elevators, pipelines, paint booths, and water treatment plants.Features
- Weather sealed to NEMA 1, 3, 4, 6, 13
- Explosion proof to NEMA 7 (Class 1, Division 1 and 2, Groups B, C, D),
- NEMA 9 (Class 2, Division 1 & 2, Groups E, F, G)
- Extensive variety of actuation heads and multiple non-sparking actuators
- Rotatable operating head
- Secure head-to-body retention
Applications
- Grain elevators
- Control valves and actuators
- On-shore drilling
- Pipelines
- Petrochemical and chemical plants
- Water treatment plants
- Paint booths
- Hazardous waste handling
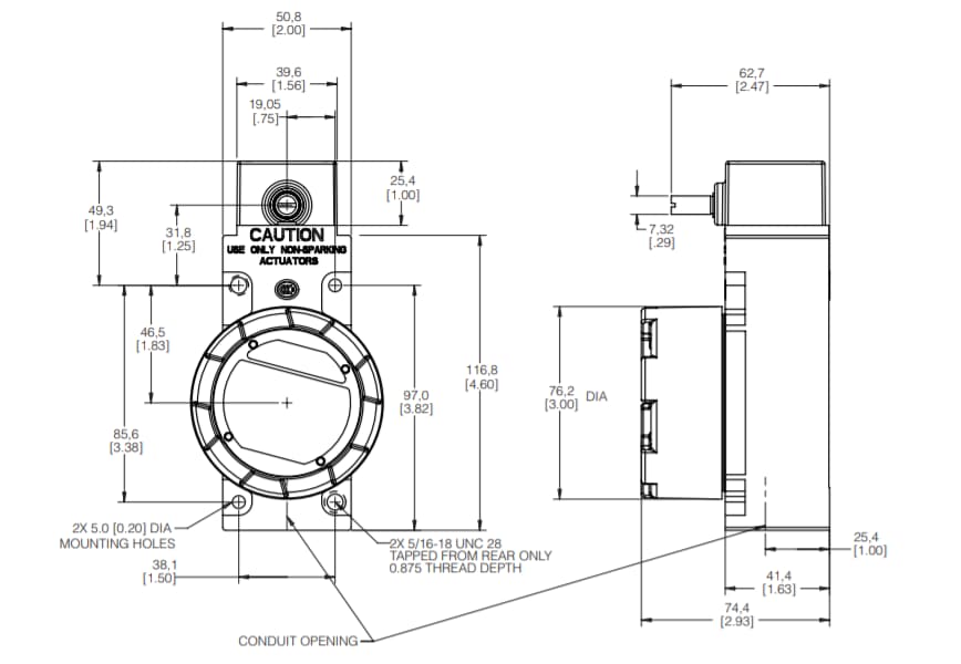
Dimensions
Published: 2019-04-22
| Updated: 2023-12-29
