Diotec Semiconductor SICW20C120 Silicon Carbide Schottky Diodes

Diotec Semiconductor SICW20C120 Silicon Carbide Schottky Diodes feature low capacitive charge, high-speed switching, and a high reverse voltage. The SICW20C120 diodes offer a <1.8V forward voltage and a 1200V repetitive peak reverse voltage. The device is ideally suited for high voltage/high-frequency switching used in charging systems for electric vehicles (EV), solar inverters, or telecom power supplies.

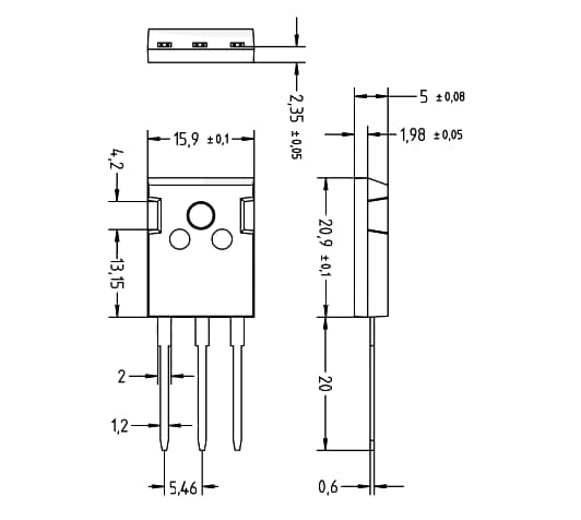
The Diotec SICW20C120 diodes supply a -50°C to +175°C junction temperature and are available in a TO-247 package.

Features

  • High reverse voltage
  • Almost zero switching losses
  • Low reverse leakage current
  • High-efficiency high-frequency switching
  • Dual diode in industry-standard case outline

Applications

  • Charging systems for electric vehicles (EV)
  • Solar inverters
  • Telecom power supplies
  • Power Factor Correction (PFC)

Specifications

  • 2x 10 = 20A average forward current (IFAV)
  • 1200V repetitive reverse voltage (VRRM)
  •  2.0V typical forward voltage at 10A and +175°C (VF)
  • 40µA  typical reverse leakage at 1200V and +175°C (IR)
  • 41nC  total capacitive charge at 800V, 10A, 200A/µs (QC)
  • TO-247 case outline

Typical Application

Application Circuit Diagram - Diotec Semiconductor SICW20C120 Silicon Carbide Schottky Diodes

Dimensions mm

Mechanical Drawing - Diotec Semiconductor SICW20C120 Silicon Carbide Schottky Diodes
Published: 2023-07-06 | Updated: 2024-10-17