Diodes Incorporated AL5958Q 48-Channel Matrix LED Driver
Diodes Incorporated AL5958Q 48-Channel Matrix LED Driver is AEC-Q100 qualified and supports any dynamic application from no scan to 32 scans when two or more devices are connected. These devices feature 16 integrated built-in NMOS switches and distinctive Multiplex Pulse Density Modulation (M-PDM) technology, which increases the refresh rate of dynamic scanning systems. The AL5958Q driver operates from a 3V to 5V input voltage range and provides 48 constant current sourcing outputs that deliver up to 20mA of high-accuracy current for each LED channel string. A good channel-to-channel current accuracy is provided by the AL5958Q, as well as device-to-device current matching of ±1.5%. Suitable applications for the Diodes Incorporated AL5958Q driver include automotive environments, such as central information displays, cluster displays, grill lights, and interior lights.
Features
- AEC-Q100 qualified
- Grayscale PWM Dimming:
- 16-bit PWM dimming resolution
- High refresh rate achieved by M-PDM technology
- Selectable single or double-edge trigger grayscale clock for EMI reduction
- Diagnosis and Protections:
- LED open/short, grayscale clock watchdog
- Undervoltage lockout
- Built-in Intelligent Matrix display functions:
- Automatic black frame insertion
- Last scan and next scan line ghost image abatement
- Low brightness uniformity compensation
- Short LED caterpillar and open LED fail line abatement
- Daisy-chained capability
- Sleep mode to save power
Applications
- Automotive central information displays
- Automotive cluster displays
- Automotive head-up displays
- Automotive grill lights
- Automotive body mini-LED panels
- Automotive interior lights
- Automotive rear lights
Specifications
- Two separated power supplies (VR and VGB):
- 2.8V to 5V VR supply range
- 3V to 5V VGB supply voltage
- 48 output current source:
- 0.5mA to 20mA constant current output range
- Current setting by 3 external resistors
- 6-bit global current control for each color group
- ±1.5% LED current accuracy between channels
- ±1.5% LED current matching between devices
- Output staggered delay
- W-QFN9090-76/SWP package
- 9mm x 9mm dimensions
- Built-in 16 NMOS scan switches:
- For static and dynamic systems from 0 scan to 1/32 scan
- Flexible scan sequence
- Built-in 3x 16k bits SRAM
- -40°C to +125°C ambient temperature range
PIn Assignments
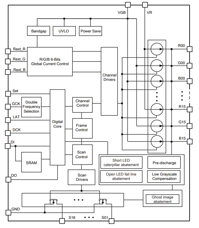
Functional Block Diagram
