CUI Inc PBO Ultra-Compact AC-DC Power Supplies
CUI Inc PBO Ultra-Compact Open-Frame AC-DC Power Supplies offer 80% typical efficiency and a wide input voltage range of 85 to 264VAC or 70 to 400VDC for high voltage DC-DC systems. These ultra-compact devices measure as small as 35mm x 11mm x 18mm and come in an open-frame SIP package. The PBO series offers single-output voltages of 3.3, 5, 9, 12, 15, and 24VDC. The 5W models offer a -25°C to +85°C temperature range while the 1W and 3W version provides a -40°C to +85°C range. PBO-3 and PBO-5 provide 3000VAC input to output isolation. The PBO-3-B series is a 3W power supply and features a right-angle configuration. These CUI Inc power supplies meet UL60950-1/EN 60950-1 standards, comply with EN55022 Class B limits for conducted and radiated emissions, and include overcurrent and short-circuit protection. PBO power supplies serve a variety of applications, including industrial systems, automation equipment, security, telecommunications, and smart home devices.Features
- 3W or 5W continuous power
- Available in straight-pin and bent-pin configurations (3W models)
- Ultra-compact SIP package
- 85 to 264VAC or 70 to 400VDC input voltage range
- Overcurrent and short-circuit protection
- 3000VAC isolation
- UL 60950-1, CE safety approvals
- Efficiency up to 79%
- 3.3 to 24VDC output voltage
Applications
- Industrial systems
- Automation equipment
- Security
- Telecommunications
- Smart home devices
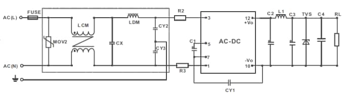
PBO-5 Application Circuit
PBO-3 Application Circuit
PBO-1 Application Circuit
Published: 2016-11-14
| Updated: 2022-03-11
