Coilcraft PL160/PL300 SMT Planar Transformers
Coilcraft PL160/PL300 SMT Planar Transformers are 160W or 300W rated and are designed to operate between 200kHz and 700kHz with a nominal 48V input. The PL160 and PL300 transformers feature excellent DC resistance for increased efficiency, low leakage inductance, 1500Vrms, and one-minute primary to secondary isolation. These transformers are AEC-Q200 Grade 1 (-40°C to +125°C) qualified and provide 0.009" (0.229mm) clearance above the seating plane.Features
- Rated for 160W or 300W
- Designed to operate between 200kHz and 700kHz with nominal 48V input
- High efficiency
- Excellent DC resistance
- Very low leakage inductance
- Ferrite core
- Matte tin over nickel over brass terminations
- Moisture Sensitivity Level (MSL) 1
Specifications
- 1500Vrms, one minute primary to secondary isolation
- 160W or 300W rating options
- 200kHz and 700kHz frequency range
- 48V nominal input voltage
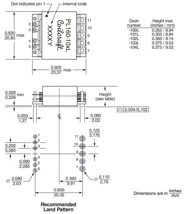
- 0.009″ (0.229mm) clearance above the seating plane
- 0.35µH to 0.55µH maximum leakage inductance
- 12g to 12.8g available range of weight
- -40°C to +125°C operating temperature range
- Maximum of three 40-second reflows at +260°C with parts cooled to room temperature between cycles
Schematic Diagram
Mechanical Drawing
Published: 2015-12-08
| Updated: 2022-03-11
