Bourns SM453230-x1N7YP GbE Chip LAN Transformers
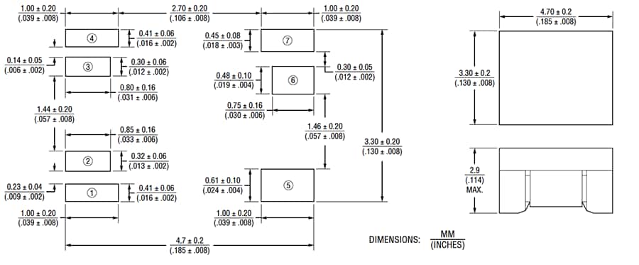
Bourns SM453230-x1N7YP GbE Chip LAN Transformers are discrete transformer/common mode chip inductors offering a high degree of flexibility in PCB layouts. Measuring 4.7mm x 3.3mm x 2.9mm, the small SM453230-x1N7YP Transformers provide compatibility with IEEE 802.3 Ethernet and 1G/2.5G/5G Base-T (SM453230-231N7YP) or 10G Base-T (SM453230-121N7YP). These devices operate within a -40°C to +85°C temperature range and are ideal for high-speed telecommunication and network devices.Features
- IEEE 802.3 Ethernet compatible
- Compatible with
- 10G Base-T for the SM453230-121N7YP
- 1G/2.5G/5G Base-T for the SM453230-231N7YP
- PoE+ capable
- Discrete transformers and common mode chip inductors for a flexible PCB layout
- Pairing common mode chip inductor for EMI reduction
- SRF2012-900YA for the SM453230-121N7YP
- SRF2012A-801Y for the SM453230-231N7YP
- -40°C to +85°C temperature range
- Halogen-free and RoHS compliant
Specifications
- SM453230-121N7YP
- 120µH inductance at 100kHz, 0.1V, 0mA
- ±3% turns ratio
- -2.0dB typical insertion loss from 1MHz to 500MHz, -3.0dB maximum
- 21pF typical capacitance
- 700mA POE+
- 1500VAC hi-pot for 60s
- SM453230-231N7YP
- Inductance
- 230µH at 100kHz, 0.1V, 0mA
- 200µH at 100kHz, 0.1V, 15mA
- ±3% turns ratio
- -1.5dB typical insertion loss from 1MHz to 250MHz, -2.3dB maximum
- 35pF typical capacitance
- 700mA POE+
- 1500VAC hi-pot for 60s
- Inductance
Electrical Schematic
Dimensions
Published: 2021-12-07
| Updated: 2024-06-19
