Bourns PF-J POWrFuse™ High-Power Fuses
Bourns PF-J POWrFuse™ High-Power Fuses offer a rated current from 30A to 70A with a rated voltage up to 500VAC and an interrupting rating up to 2kA. PF-J fuses are specially designed to meet UL 284-14 requirements to help protect systems in extreme ambient temperatures and fault current events. The series is RoHS compliant and halogen free and has an operating temperature range of -55°C to +125°C. Ideal applications for Bourns PF-J POWrFuse High-Power Fuses include industrial, home appliances, air conditioning inverters, ice machine compressors, and dehumidifier compressors.Features
- Designed to UL 248-14 supplemental standard
- 30A to 70A rated current
- Up to 500VAC rated voltage
- Up to 2kA interrupting rating
- -55°C to +125°C operating temperature range
- RoHS compliant and halogen free
Applications
- Industrial
- Home appliances
- Air conditioning inverters
- Ice machine compressors
- Dehumidifier compressors
Derating Curve
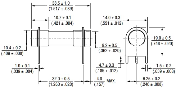
Dimensions
Published: 2022-07-06
| Updated: 2025-06-12
