Bourns PER35 Long-Life Incremental Ring Encoder
Bourns PER35 Long-Life Incremental Ring Encoder features a 35mm package diameter with 10mA at 5VDC circuit compatibility and 3-phase quadrature code output. The PER35 offers haptic detent feedback, a through-hole mounting style, and is sealable to an IP40 protection level. The low-profile device provides a ring interface that allows illumination or the installation of other components in the center. Additional features include a 50,000 rotational cycle rating, 10PPR resolution range, and 60RPM maximum rotational speed. Bourns PER35 Long-Life Incremental Ring Encoder has an operating temperature range of -30°C to +80°C. Ideal applications include professional audio and lighting applications, low- to medium-risk medical and laboratory equipment as well as industrial automation controls and other applications where a menu select encoder is required.Features
- Low-profile incremental encoder with 35mm package diameter
- THT mounting style
- Haptic detent feedback
- Sealable to IP40 rating
- RoHS compliant
Applications
- Professional lighting consoles
- Consumer white goods
- Low- to medium-risk medical and diagnostic equipment
- Test and measurement equipment
- Communications equipment
- Laboratory equipment
- Industrial automation controls
Specifications
- 50,000 rotational cycle rating
- 10PPR resolution range
- 60RPM maximum rotational speed
- 10mA at 5VDC circuit compatibility
- 3-phase quadrature code output
- -30°C to +80°C operating temperature range
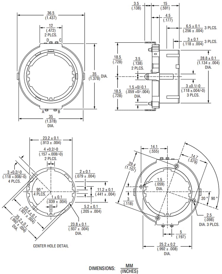
Dimensions
Published: 2021-04-28
| Updated: 2022-03-11
