Bourns HVMA01F35A-ST10S Flyback Transformer
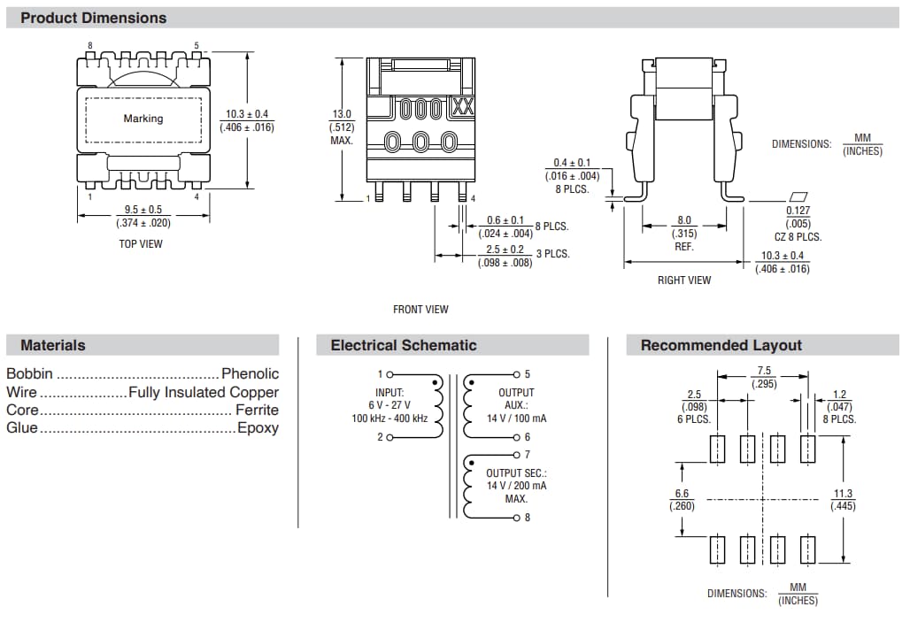
Bourns HVMA01F35A-ST10S Flyback Transformer is a compact, surface-mount flyback transformer with a power rating of 1W. This transformer is AEC-Q200 compliant, making it suitable for automotive-grade applications. The HVMA01F35A-ST10S transformer operates efficiently within a frequency range of 100kHz to 400kHz and features a primary inductance of 35μH. This flyback transformer offers a working voltage range of 800V to 1000V, ensuring reliable performance even at altitudes up to 5000 meters. The HVMA01F35A-ST10S flyback transformer is ideally used in transistor gate drive power, inverter circuits, battery management systems, motor drives, and power delivery applications.Features
- 1W power rating
- 100kHz to 400kHz switching frequency range
- 800V to 1000V high working voltage (up to 5000m altitude)
- SMT transformer with 10mm creepage
- 35μH primary inductance
- Basic insulation per IEC 61558-2 and IEC 60664-1
- -40°C to 125°C operating temperature range
- AEC-Q200 compliant and automotive grade
Applications
- Transistor gate drive power
- Inverter circuits
- Battery Management Systems (BMS)
- Motor drives
- Power delivery
Mechanical Drawings
Published: 2025-09-16
| Updated: 2025-09-28
