Benewake TFS20-L Single-Point LiDAR

Benewake TFS20-L Single-Point LiDAR is a fully integrated single-channel dToF ranging mini-module that incorporates a highly sensitive infrared-enhanced SPAD sensor with up to 20m range. This LiDAR module uses a fully integrated SPAD chip solution, a histogram statistical algorithm, and a fast TDC architecture. The TFS20-L LiDAR achieves high-precision distance measurement while offering sunlight resistance of 15m at 100Klux and a reflectivity correction feature.

This device features a compact, lightweight design and offers long-range measurement capabilities with excellent distance measurement performance even under strong ambient light. This single-point LiDAR operates on a single 3.3V power supply and exhibits built-in temperature compensation. The TFS20-L LiDAR supports I²C and UART interfaces and is suitable for a wide range of applications, including consumer drones, service robots, and IoT.

Features

  • Fully integrated single-channel Direct Time-of-Flight (dToF) ranging mini-module
  • Excellent distance measurement performance even under strong ambient light with sunlight resistance of 15m at 100Klux with a reflectivity correction feature
  • Operates on a single 3.3V power supply and features built-in temperature compensation
  • Supports I²C and UART interfaces, making it easy to integrate and use
  • Compact size, lightweight design, accurate and long-range measurement capabilities:
    • Incorporates a highly sensitive infrared-enhanced SPAD sensor with a range of up to 20m
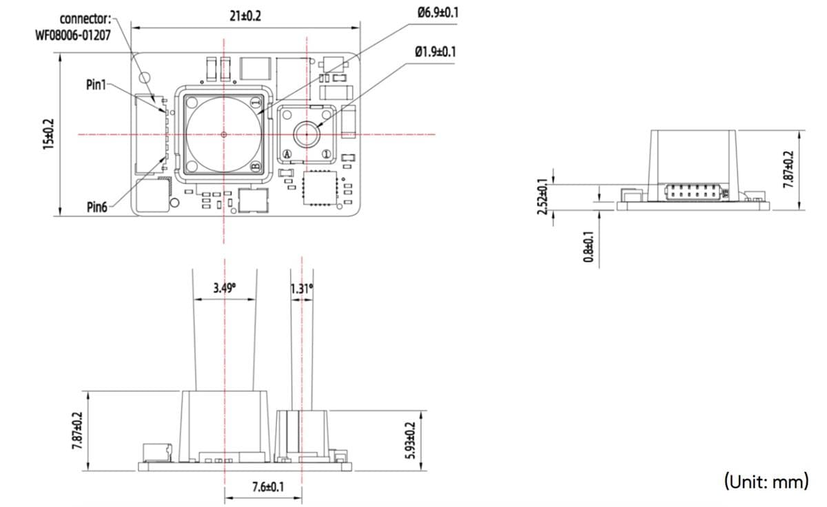
    • 21mm x 15mm x 7.87mm dimensions
    • ±6cm (0.2m to 6m) accuracy 
  • Uses a fully integrated SPAD chip solution, histogram statistical algorithm, and a fast TDC architecture
Infographic - Benewake TFS20-L Single-Point LiDAR

Applications

  • Service robots:
    • Robot fall prevention and obstacle avoidance
    • Industrial automation robots
    • Tunnel inspection robots
    • Logistics delivery robots
  • Smart trigger:
    • Smart lid opening trigger detection
    • Trash can overflow detection
    • Automatic door switch solution
    • Access control turnstile trigger switches
    • Street light switch trigger
  • IoT
  • Consumer drones including delivery drones and inspection drones
  • Unmanned Aerial Vehicle (UAV):
    • Terrain following/holding
    • Position hold
    • Autonomous takeoff and landing
    • Depth perception and pinpoint
  • Direct Time-of-Flight (dToF) applications
Benewake TFS20-L Single-Point LiDAR

Dimensions

Mechanical Drawing - Benewake TFS20-L Single-Point LiDAR
Published: 2024-10-01 | Updated: 2024-11-14