Analog Devices / Maxim Integrated MAX33054E 2Mbps CAN Transceiver
Analog Devices MAX33054E 2Mbps Control Area Network (CAN) Transceiver is a 3.3V transceiver with integrated protection for industrial applications. The MAX33054E CAN transceivers feature a Standby (STBY) pin for three modes of operation. These modes include standby mode for low-current consumption, normal high-speed mode, or a slow slew rate mode. The MAX33054E CAN transceivers come with extended ±65V fault protection for equipment that requires overvoltage protection. These MAX33054E transceivers also incorporate a high ±25kV ESD Human Body Model (HBM) and an input Common Mode Range (CMR) of ±25V. The Analog Devices MAX33054E features short-circuit protection, thermal shutdown, and a 1.62V to 3.6V logic-supply (VL) range. Typical applications include programmable logic controllers, industrial automation, building automation, instrumentation, smart grid equipment, drone, and motor control.Features
- Programmable logic controller
- Integrated protection increases robustness
- ±65V fault tolerant CANH and CANL
- ±25kV ESD HBM
- ±25V extended CMR
- Transmitter dominant timeout prevents lockup
- Short-circuit protection
- Thermal shutdown
- Family provides flexible design options
- Slow slew rate to minimize EMI
- STBY input for low-current mode and slow slew rate
- 1.62V to 3.6V logic supply of up to 2Mbps
- -40°C to 125°C operating temperature range
- 8-pin Small Outline Integrated Circuit (SOIC) package
Applications
- Programmable Logic Controller
- Industrial automation
- Building automation
- Instrumentation
- Smart grid equipment
- Drone
- Motor control
Block Diagram
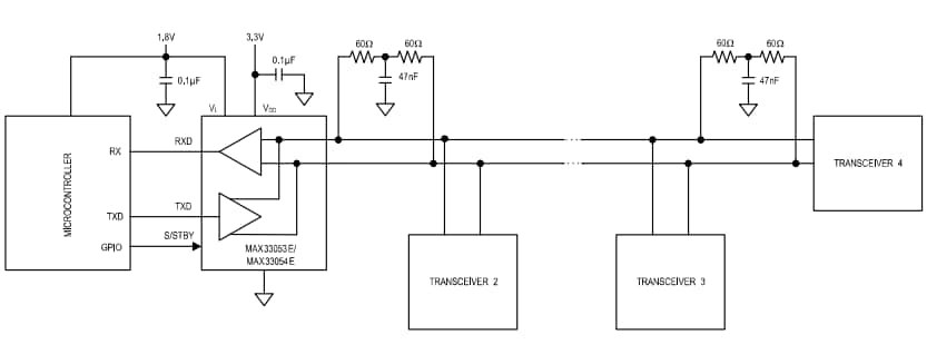
Application Circuit Diagram
Pin Diagram
Published: 2018-09-12
| Updated: 2023-04-24
