Analog Devices Inc. MAX17843 High-Voltage Smart Sensor

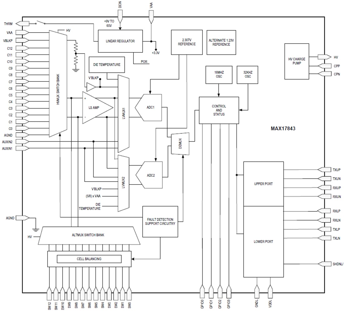
Analog Devices Inc. MAX17843 High-Voltage Smart Sensor is a programmable, highly integrated, high-voltage, 12-channel battery-monitoring smart data-acquisition interface with extensive safety features. The sensor is optimized for use with batteries in automotive systems, hybrid electric battery packs, electric cars, and any system that stacks long series strings of secondary metal batteries. This highly integrated battery sensor incorporates a high-speed differential UART bus for robust daisy-chained serial communication.

The analog front end combines a 12-channel voltage-measurement data-acquisition system with a high-voltage switch-bank input. All measurements are done differentially across each cell. The full-scale measurement range is from 0 to 5.0V, with a usable range of 0.2V to 4.8V. A high-speed successive approximation (SAR) A/D converter is used to digitize the cell voltages at 14-bit resolution with oversampling. All 12x cells can be measured in under 142µs. The MAX17843 uses a 2-scan approach for collecting cell measurements and correcting them for errors. This 2-phase approach yields excellent accuracy over temperature and in the face of extreme noise in the system.

The MAX17843 has two auxiliary analog inputs that can be used to measure external thermistor components. A negative temperature coefficient (NTC) thermistor can be configured with the AUXIN analog inputs to accurately monitor module or battery-cell temperature. A thermal-overload detector disables the MAX17843's linear regulator to protect the IC, and a die-temperature measurement is also available.

Features

  • 12-cell battery-voltage measurement for Lithium-Ion, NiMH, or Super-Cap cells
  • 2x auxiliary analog inputs for NTC thermistor or absolute voltage measurement
  • Die temperature measurement and alert
  • High-accuracy differential measurement I/Os
  • ±2mV accuracy at +25°C and 3.6V
  • Integrated 12-channel data-acquisition system
    • Differential high-voltage Mux to ADC
    • 14-bit ADC resolution with oversampling
    • 12x cell voltages measured within 142μs
    • Module voltage measurement
    • Redundant ADC
  • Battery fault detection
    • Overvoltage and undervoltage digital threshold detection
    • Enhanced diagnostic features for fault detection to support ASIL and FMEA
  • 12x internal cell-balancing switches
    • Supports up to 150mA per switch
    • Emergency cell-discharge mode
  • Integrated 9V to 65V input linear regulator
  • Integrated temperature-compensated, voltage reference
  • Robust differential daisy-chain UART interface
    • Up to 32x connected ICs in a single daisy-chain
    • Compatible with direct MCU connection
    • Standard UART bytes at 2Mb/s (maximum) rate
  • 4x general-purpose digital I/O lines
  • Built-in diagnostics to support ASIL D and FMEA requirements
  • Ultra-low-power dissipation
    • 2.0mA (typical) standby-mode supply current
    • 3µA shutdown mode leakage current
  • -40°C to +125°C operating temperature range (AEC-Q100 Grade 1)
  • 64-Pin, lead-free/RoHS-compliant, 10mmx10mm LQFP package

Applications

  • 48V vehicle battery modules or systems
  • Battery packs
  • Electric bikes
  • High-power battery-backup systems
  • High-voltage electric vehicle (EVs)
  • Hybrid electric vehicles (HEVs)
  • Power tools
  • Super-cap backup systems

Videos

Functional Block Diagram

Block Diagram - Analog Devices Inc. MAX17843 High-Voltage Smart Sensor
Published: 2020-01-10 | Updated: 2024-04-16