Analog Devices / Maxim Integrated MAX17600-05 Dual MOSFET Drivers
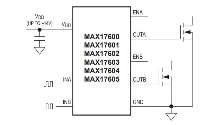
Analog Devices MAX17600-MAX17605 Dual MOSFET Drivers are high-speed devices capable of sinking /sourcing 4A peak currents. These devices have various inverting and noninverting part options that provide greater flexibility in controlling the MOSFET. MAX17600-MAX17605 MOSFET drivers have internal logic circuitry that prevents shoot-through during output-state changes. The logic inputs are protected against voltage spikes up to +14V, regardless of VDD voltage. The propagation delay time is minimized and matched between the dual channels. These ADI Integrated devices have very fast switching time, combined with short propagation delays (12ns typ), making them ideal for high-frequency circuits. The devices operate from a +4V to +14V single power supply and typically consume 1mA of supply current.MAX17600 / MAX17601 devices have standard TTL input logic levels, while MAX17603 / MAX17604 / MAX17605 have CMOS-like high-noise margin (HNM) input logic levels. MAX17600 / MAX17603 are dual inverting input drivers, MAX17601 / MAX17604 are dual noninverting input drivers, and MAX17602 / MAX17605 devices have one noninverting and one inverting input. Analog Devices MAX17600-MAX17605 Dual MOSFET Drivers are provided with enable pins (ENA, ENB) for better control of driver operation.
ADI MAX17600–MAX17605 evaluation kits provide a proven design to evaluate the MAX17600–MAX17605.
Features
- Dual driver with enable inputs
- +4V to +14V Single power-supply range
- 4A Peak sink /source current
- Inputs rated to +14V, regardless of VDD voltage
- Low 12ns propagation delay
- 6nTypical rise and 5n typical fall times with 1nF load
- Matched delays between channels
- Parallel operation of dual outputs for larger
- Driver output current
- TTL or HNM logic-level inputs with hysteresis for noise immunity
- Low input capacitance: 10pF (typ)
- Thermal shutdown protection
- TDFN, μMAX, and SO package options
- -40ºC to +125ºC Operating temperature range
Specifications
- Logic polarity
- Inverting
- MAX17600
- MAX17603
- Noninverting
- MAX17601
- MAX17604
- Mixed
- MAX17602
- MAX17605
- Inverting
Applications
- Power MOSFET switching
- Switch-Mode power supplies
- DC-DC converters
- Motor control
- Power-supply modules
Typical Operating Circuit
Published: 2013-01-10
| Updated: 2023-04-13
