Analog Devices / Maxim Integrated MAX11259SYS1 ADC Evaluation Module System
Analog Devices MAX11259SYS1 Analog-to-Digital Converter Evaluation Module System includes the MAX11259PMB Peripheral Module and the USB2PMB2 Munich Adapter Board. The Analog Devices MAX11259PMB Peripheral Module provides a proven signal path and board layout to demonstrate the performance of the MAX11259AWX 24-Bit, Delta-Sigma Analog-to-Digital Converter (ADC). The Peripheral Module includes digital isolators, ultra-low-noise LDOs to all supply pins of the IC, onboard reference (MAX6072), and sync-in and sync-out signals for coherent sampling. The USB2PMB2 FTDI controller is provided to allow for evaluation in standalone mode, which has limitations on maximum sample speed and sample depth. The Peripheral Module can be used with FPGA to achieve full speed and a larger sample depth.Features
- Various sample sizes and sample rates
- Time domain, frequency domain, and histogram plotting
- Proven PCB layout
- Fully assembled and tested
- Microsoft Windows-compatible software
MAX11259PMB Board Layout
USB2PMB2 Board Layout
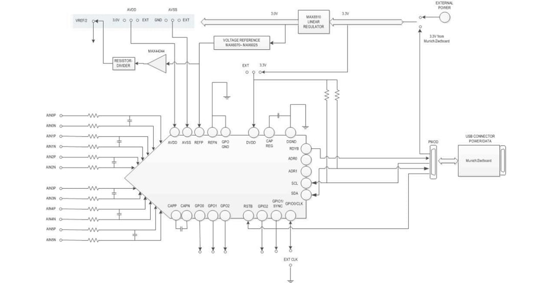
Block Diagram
Published: 2016-08-25
| Updated: 2023-04-12
