Analog Devices Inc. LT8204 Full-Bridge/Dual Half-Bridge Controllers

Analog Devices Inc. LT8204 Full-Bridge/Dual Half-Bridge Controllers can be configured as a four-switch full-bridge controller or dual two-switch half-bridge controllers to regulate the output voltage or the output current. LT8204 provides two selectable PWM control methods (i.e., peak current mode control and voltage mode control) to ease loop frequency compensation for applications with different load types (inductive, resistive, or capacitive loads).

The LT8204 features dual bidirectional rail-to-rail precision (200μV VOS) load current monitors, output voltage monitors, and dual on-chip 16-bit monotonic digital-to-analog converters (DACs). Together with the Serial Peripheral Interface (SPI), the output current or voltage can be programmed precisely on the fly. The Analog Devices LT8204 also monitors the system operation status and reports via the SPI interface in case of failure (e.g., loss of load connection, failure of external MOSFET devices).

Features

  • Full-bridge or dual half-bridge
  • Dual bidirectional, rail-to-rail precision current monitors (200μV VOS)
  • Dual on-chip 16-bit monotonic DACs
  • 4-wire SPI with error detection and correction
  • Quad N-channel MOSFET 5.3V gate drivers
  • Configurable output current or voltage regulation
  • Configurable PWM control methods for loop stability
  • Fixed switching frequency with SYNC and spread spectrum
  • System monitor and fault report via an SPI interface
  • 38-lead plastic TSSOP package
  • RoHS compliant

Applications

  • Solenoid and inductive load regulation
  • Active or semi-active damping control
  • Thermoelectric Cooler (TEC) control
  • Vibration control

Specifications

  • 5.5V to 40V input range
  • 100kHz to 1MHz fixed switching frequency range
  • 10mA maximum quiescent current (not switching), 5mA typical
  • 500µA typical standby current
  • 2µA maximum shutdown current, 1µA typical
  • -40°C to +150°C operating junction temperature range

Typical Application

Application Circuit Diagram - Analog Devices Inc. LT8204 Full-Bridge/Dual Half-Bridge Controllers

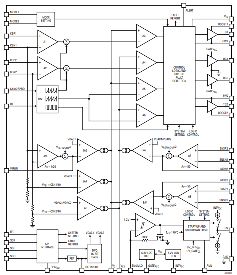
Block Diagram

Block Diagram - Analog Devices Inc. LT8204 Full-Bridge/Dual Half-Bridge Controllers
Published: 2023-08-25 | Updated: 2023-08-30