Analog Devices Inc. LT1785 Fault Protected RS485/RS422 Transceivers

Analog Devices LT1785 Fault Protected RS485/RS422 Transceivers are half-duplex and full-duplex differential bus transceivers. The devices are ideal for applications that feature on-chip protection from overvoltage faults on the data transmission lines. Receiver input and driver output pins can withstand voltage faults of up to ±60V with respect to the ground with no damage to the device. Faults may occur while the transceiver is active, shut down, or powered off.

Supported are data rates up to 250kbaud on networks of up to 128 nodes. Controlled slew rates on the driver outputs control EMI emissions and improve data transmission integrity on improperly terminated lines. Drivers are specified to operate with inexpensive cables as low as 72Ω characteristic impedance.

Features

  • Protected from overvoltage line faults to ±60V
  • Pin compatible with LTC485 and LTC491
  • High input impedance supports up to 128 nodes
  • No damage or latchup to ESD
    • IEC-1000-4-2 Level 4: ±15kV Air discharge
    • IEC-1000-4-2 Level 2: ±4kV Contact discharge
  • Controlled slew rates for EMI emissions control
  • Guaranteed high receiver output state for floating, shorted, or inactive inputs
  • Outputs assume a high impedance when off or powered down
  • Drives low-cost, low-impedance cables
  • Short-circuit protection on all outputs
  • Thermal shutdown protection
  • Guaranteed operation to 125°C

Applications

  • Industrial control data networks
  • CAN Bus applications
  • HVAC controls

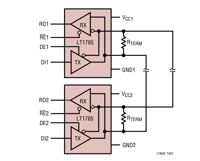
Typical Application Circuit

Application Circuit Diagram - Analog Devices Inc. LT1785 Fault Protected RS485/RS422 Transceivers
Published: 2019-06-10 | Updated: 2024-02-19