Analog Devices Inc. ADL8102-EVALZ Evaluation Board

Analog Devices ADL8102-EVALZ Evaluation Board is a 2-layer printed circuit board (PCB) designed with 10mil thick, Rogers 4350B, and copper clad. The ADL8102-EVALZ RFIN and RFOUT ports feature 2.9mm female coaxial connectors, and the corresponding RF traces have a 50Ω characteristic impedance.

The ADI ADL8102-EVALZ has components ideal for use over the total operating temperature range of -40°C to +85°C.

Features

  • 2-layer Rogers 4350B evaluation board
  • End launch, 2.9mm RF connectors
  • Through calibration path (depopulated)

Applications

  • Telecommunications
  • Satellite communications
  • Military radar
  • Weather radar
  • Civil radar
  • Electronic warfare

Required Equipment

  • RF signal generator
  • RF spectrum analyzer
  • RF network analyzer
  • 5V, 500mA power supply

Layout

Location Circuit - Analog Devices Inc. ADL8102-EVALZ Evaluation Board

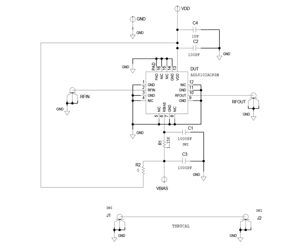
Schematic

Schematic - Analog Devices Inc. ADL8102-EVALZ Evaluation Board
Published: 2023-12-18 | Updated: 2024-01-30