Advanced Energy / Artesyn NDQ900 900W Quarter-Brick DC-DC Converters

Advanced Energy / Artesyn NDQ900 900W Quarter-Brick DC-DC Converters feature a 12.25V single output voltage and an input range of 40VDC to 60VDC. These converters have a standard quarter-brick outline and pin configuration, and they offer an ultra-high peak efficiency of 96.7%, a 50mVpk-pk noise/ripple rating, and a 4mF electrolytic capacitor. NDQ900 converters are suitable for 48V to 12V down conversion in high-power computing and storage applications. Advanced Energy / Artesyn \ NDQ900 DC-DC Converters have an operating temperature range of -40°C to +85°C with forced air cooling and an optional PMBus® interface.

Features

  • Fixed switching frequency
  • Parallel operation, active current sharing
  • Optional PMBus interface
  • Remote control function
  • Power-good function
  • No minimum load required
  • High reliability
  • Excellent thermal performance
  • Protections 
    • Input undervoltage
    • Input overvoltage
    • Output overvoltage
    • Output overcurrent
    • Overtemperature

Applications

  • Routing/switching
  • Storage
  • Rack/blader servers

Specifications

  • 900W total power rating
  • 40VDC to 60VDC input voltage range
  • 12.25V single output rating
  • 96.7% peak efficiency
  • 24.3A maximum input current rating
  • 12V nominal output voltage rating
  • -40°C to +85°C operating temperature range
  • Safety
    • IEC/EN/UL/CSA 62368-1
    • CE and UCKA mark
    • UL/TUV
    • UL 94V-0

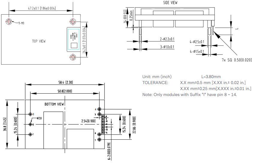
Mechanical Drawing

Mechanical Drawing - Advanced Energy / Artesyn NDQ900 900W Quarter-Brick DC-DC Converters
Published: 2025-01-23 | Updated: 2025-09-09