ABLIC S-82x5B Battery Monitoring ICs
ABLIC S-82x5B Battery Monitoring ICs for 3-serial to 5-serial cell packs are used in the secondary protection of lithium-ion rechargeable batteries. These ICs include a cascading function that allows voltage monitoring for 6-serial or more cells. The S-82x5B ICs feature 28V absolute maximum high withstand voltage and low current consumption. These ICs operate within the 3.6V to 24V voltage range and -40°C to 85°C temperature range. The S-82x5B ICs are available in a TMSOP-8 or SNT-8A package.Features
- CO pin output voltage is limited to 7.5V maximum
- Overcharge timer reset function:
- Available
- Unavailable
- 28V absolute maximum high withstand voltage
- 3.6V to 24V Wide operating voltage range
- −40°C to 85°C wide operating temperature range
- 5μA maximum low current consumption during operation (3.4V for each cell)
- 0.5s, 1s, 2s, 4s, 6s, and 8s overcharge detection delay time
- Lead-free (Sn 100%) and halogen-free
- Available in a TMSOP-8 or SNT-8A package
Applications
- Lithium-ion rechargeable battery packs
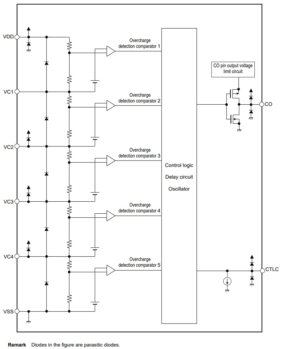
S-82K5B Block Diagram
S-82M5B Block Diagram
Package
Published: 2024-09-12
| Updated: 2024-10-17
